KHỚP NỐI GIẢN NỞ KIM LOẠI HELS HLS-30 MKS-L
AXIAL TYPE EXPANSION JOINT - FLANGED FIX HLS-30 MKS-L

Information Products
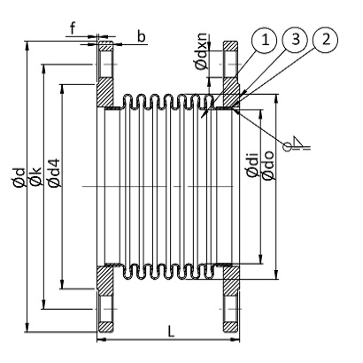
- Axial expansion joints absorb expansion laterally, caused by the thermal difference of the media inside the pipeline.
The pipeline system is divided into several parts and axial expansion joints are installed along the pipeline according to calculations of expansion. Axial expansion joints are designed to absorb lateral movement 30mm and 60mm. Also, it is possible to produce for absorbtion of other movements based on the calculations for different pipelines. The main part of axial expansion joints is stainless steel corrugated bellow.
- For different requirement there are additional parts such as inner sleeve, tie-rods, cover he wall thickness of bellow, number of piles and additional parts of expansion joints are designed according to temperature, pressure and media of pipeline.
Thông tin sản phẩm:
- Các khe co giãn dọc trục hấp thụ sự giãn nở về phía bên, gây ra bởi sự chênh lệch nhiệt của môi trường bên trong đường ống.
- Hệ thống đường ống được chia thành nhiều phần và các khe co giãn dọc trục được lắp đặt dọc theo đường ống theo tính toán mở rộng. Khớp mở rộng trục được thiết kế để hấp thụ chuyển động bên 30mm và 60mm. Ngoài ra, có thể sản xuất để hấp thụ các chuyển động khác dựa trên các tính toán cho các đường ống khác nhau. Phần chính của khe co giãn dọc trục là thép không gỉ.
- Đối với các yêu cầu khác nhau, có các bộ phận bổ sung như ống lót bên trong, thanh giằng, độ dày của tường, phần dưới của cọc và các bộ phận bổ sung của khe co giãn được thiết kế theo nhiệt độ, áp suất và phương tiện của đường ống.
Thông số kỹ thuật:
- Bellow : AISI 321,Stainless Steel, AISI 316&304 (Optional; AISI 304/316L/316Ti)
- Inner Sleeve : AISI 321, Stainless Steel (Optional); AISI 304/316L/316Ti)
- Flange : St 37.2 Carbon Steel, (Optional; AISI 304/316)
- Connection : Fixed Flanged x Fixed Flanged
- Working Pressure : (Optional; PN 16, PN 25-......PN 64)
- Working Temperature : -80/+427 °C (Optional; -80/+1100 °C)

Tên gọi liên quan: KHỚP NỐI MỀM KIM LOẠI HELS HLS-30 MKS-L, KHỚP NỐI MỀM GIẢN NỞ KIM LOẠI HELS HLS-30 MKS-L, KHỚP NỐI HELS HLS-30 MKS-L,